Architectural and Marine Hardware
Hand Crafted in Maine Since 1977
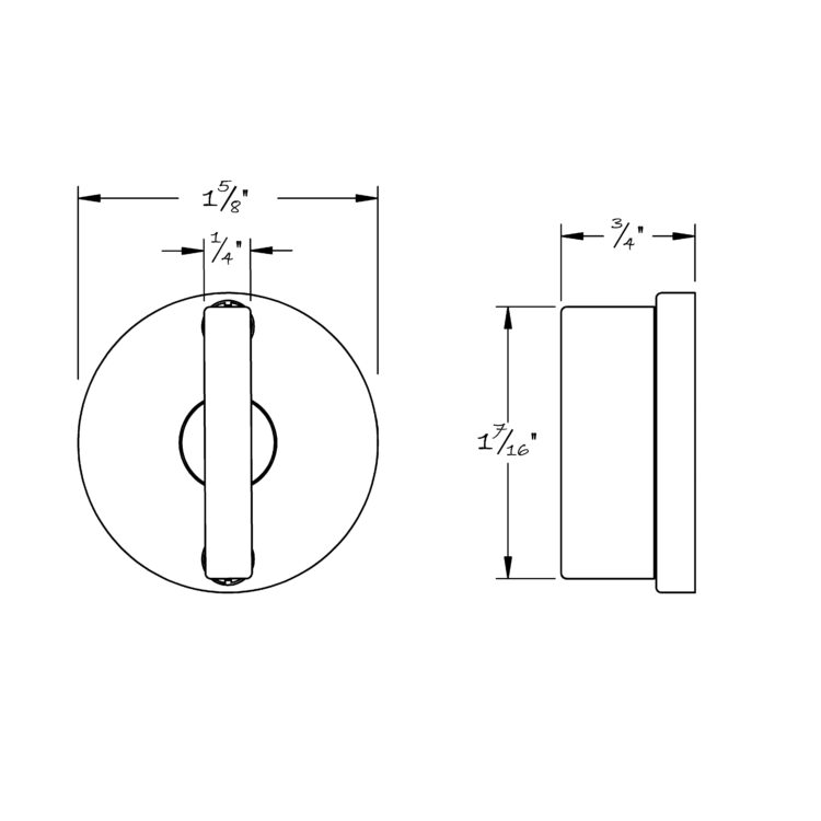
Tall Blade Thumbturn on a Round Rose